您好!欢迎光临供云链官方商城!
帮助中心
关注我们
登录
|
注册
高端精密自动化零部件解决商
搜索
名称
描述
内容
购物车
0
物品
全部商品分类
按钮文本
网站首页
关于我们
产品中心
紧固件
五金部件
传动部件
液压&气动部件
家居与建筑
密封与过滤
牵引与搬运
工业材料&型材
压力与温度控制
机械加工与夹具
加热与冷却
办公用品与标牌
电气(器)部件,模组
自动化设备
产品定制
合作品牌
联系我们
CAMLOC
网站首页
>
五金部件
>
ADAM TECH
>
MTJP-641-0-C3-1
全部商品分类
紧固件
螺丝
螺栓
螺母
垫片
垫块
间隔柱
卡环
铆钉
螺套
销钉
柱塞
轴承
五金部件
ABB (T & B )
ACCURATE SCREW (ASM)
ACME INDUSTRIAL
ADAM TECH
ADVANCED INTERCONNECT
ALPHA WIRE
ALLFAST
AIR INDUSTRIES
HI-LOK (HOWMET, ARCONIC, ALCOA)
ALTECH
AMATOM
ACCURIDE
AN Screws
AMP /TE CONN
AMPHENOL RF
ATLEE
AN Nuts
ATLAS CASTERS
KEYSTONE
MARATHON SP / REGAL
传动部件
AN Washers
AN Bolts
BAC (Boeing)
AUGAT (TE CONN)
Arlington
MISC. BEARINGS/BUSHINGS
WM BERG (REXNORD)
MIL-SPEC
nVent Birtcher
nVent Calmark
Bivar
BRADY (W.H.)
BURNDY (TERMINALS)
BUSSMANN
MISC. SPACERS/STANDOFFS/HANDLES
CAMBION
RAYCON TECHNOLOGY
CAMLOC (HOWMET/ARCONIC/ALCOA)
液压&气动部件
B & B SPECIALTIES, INC.
CBS FASTENERS, INC.
Caplugs
CAPTIVE FASTENER COR
Carr Lane Manufacturing
SPIROL
CHERRY AEROSPACE
CHOMERICS (PARKER)
DFCI / SOUTHCO
DRIV-LOK
Vlier
家居与建筑
CLICK BOND
CINCH CONNECTIVITY
KATO/COILTHREAD
COMPONENTS CORP
CLAMPS
CONCORD
Amphenol Pcd
Amphenol Aerospace
CINCH CONNECTIVITY (EMERSON/JOHNSON)
密封与过滤
Corsair Electrical Connectors
Conta Clip
Continental Aero
Crane Connectors
CRESCENT MFG., CO.
DEUTSCH (TE Connectivity)
Dimco Gray
Dodge Inserts (Stanley)
DZUS (SOUTHCO)
E-Z LOK
牵引与搬运
EPT
ELECTRONIC HARDWARE
Moujen Switch
ENTRELEC (TE CONN)
ESNA
工业材料&型材
Brother
COLSON GROUP USA
MILL-MAX (SOCKETS)
MILL-MAX (TERMINALS)
压力与温度控制
FASCOMP
FAIR-RITE
机械加工与夹具
DIMENSION MOLDING (FASTEX)
FASTENER TECHNOLOGY
加热与冷却
FLUKE ELECTRONICS
F.I.T.
GESIPA
GENERAL CABLE
GOWANDA
办公用品与标牌
ALPHA GRAINGER
GLENAIR
GROOV-PIN
HANDLES UNLIMITED
电气(器)部件,模组
HAMMOND MFG.
HARTWELL (SOUTHCO)
HUBBELL WIRING DEVICE - KELLEMS DIVISION
HASCO RELAYS
HELICAL WIRE
HELICOIL (STANLEY)
BGM FASTENERS CO.
AEROFIT
BRENNAN INDUSTRIES
HONEYWELL SENSING & CONTROLS
HOFFMAN ENCLOSURES (nVent)
自动化设备
HOLLINGSWORTH
ITT CANNON
❤ 收藏
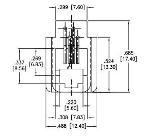
MTJP-641-0-C3-1
品牌:
ADAM TECH
价格:
¥16.32
市场价:
¥0.00
会员价格:
普通会员:
¥16.32
VIP:
¥16.32
我要分销
满意度:
销量:
0
评论:
0 次
重量:
0.000
KG
数量:
(库存
99999
)
加入购物车
立即购买
商品信息
购买记录
顾客评论
买家问答
商品描述
品牌:
ADAM TECH
购买人
会员级别
数量
属性
购买时间
总计 0 条记录
商品满意度 :
暂无评价信息
留言
投诉
询问
售后
提交
上一个:
MTP-64U
下一个:
MTJG-4-88G01-FSD